Beranda
/ Contoh Soal Transistor : Contoh Soal Transistor Cara Golden - Carilah harga rb yang menyebabkan transistor pada keadaan jenuh dengan faktor 'overdrive' lebih besar.
Contoh Soal Transistor : Contoh Soal Transistor Cara Golden - Carilah harga rb yang menyebabkan transistor pada keadaan jenuh dengan faktor 'overdrive' lebih besar.
Contoh Soal Transistor : Contoh Soal Transistor Cara Golden - Carilah harga rb yang menyebabkan transistor pada keadaan jenuh dengan faktor 'overdrive' lebih besar.. Dengan soal transistor sebenarnya persamaannya saja. Sifat saturasi dan cut off pada transistor membuat nya memiliki karatersistik sebagai switch electric. A pilihan ganda √contoh materi kerajinan dari bahan contoh laporan keuangan akuntansi dan olimpiade sma uts sel jaringan tumbuhan. Contoh soal, perhatikan gambar rangkaian di bawah ini! Berikut, 50 contoh soal cpns tes kemampuan bidang ( tkb) pendidikan beserta kunci jawaban.
Dapatkan informasi, inspirasi dan insight di email kamu. Dengan soal transistor sebenarnya persamaannya saja. Ulangan semester ganjil soal teori produktif: Contoh soal teori antrian khusus poisson. 60 contoh soal dan kunci jawaban mapel sistem komputer.
Gain Atau Perolehan Arus Yang Dihasilkan Transistor from imgv2-2-f.scribdassets.com Contoh soal transistor sebagai penguat kolektor (common colector). Contoh soal turunan fungsi aljabar. Soal soal cpns yang akan diujikan dalam proses seleksi penerimaan cpns tahun ini. Berikut, 50 contoh soal cpns tes kemampuan bidang ( tkb) pendidikan beserta kunci jawaban. Carilah harga rb yang menyebabkan transistor pada keadaan jenuh dengan faktor 'overdrive' lebih besar. Contoh soal rangkaian transient rl. Kita bisa mendapatkannya dengan mudah. Rancanglah rangkaian sehingga arus 2 ma.
V' menyatakan turunan fungsi v.
Sebaiknya dicek dulu apakah transistor tersebut. Contoh soal teori antrian khusus poisson. Ulangan semester ganjil soal teori produktif: Contoh soal jarak titik ke titik dimensi tiga. Contoh soal cpns sudah banyak beredar di internet. Luas daerah parkir 1.760 m². Transistor sebagai saklar adalah salah satu fungsi dari transistor itu sendiri. Tahap pertama yang perlu kita lakukan adalah melakukan integral fungsi 3x2 + 5x + 2 menjadi seperti di bawah ini. Andaikan hanya 2 persen dari electron yang diinjeksikan ke dalam 3. Materi ini menjelaskan contoh soal penyelesaian transistor sebagai saklar, dengan mengaplikasikan transistor pada rangkaian penyalaan led. Dapatkan informasi, inspirasi dan insight di email kamu. Sifat saturasi dan cut off pada transistor membuat nya memiliki karatersistik sebagai switch electric. V' menyatakan turunan fungsi v.
Sebagai definisi transistor merupakan bahan yang terbuat dari semi konduktor, biasanya transistor berfungsi untuk. Berikut, 50 contoh soal cpns tes kemampuan bidang ( tkb) pendidikan beserta kunci jawaban. Transistors are one of the basic building blocks of modern electronics. Dapatkan informasi, inspirasi dan insight di email kamu. Soal soal cpns yang akan diujikan dalam proses seleksi penerimaan cpns tahun ini.
Contoh Soal Transistor Cara Golden from slidetodoc.com Ulangan semester ganjil soal teori produktif: Berikut, 50 contoh soal cpns tes kemampuan bidang ( tkb) pendidikan beserta kunci jawaban. Cara menghitung biaya produksi per unit menggunakan metode tradisional (konvensional) dan metode abc (activity based costing). Sifat saturasi dan cut off pada transistor membuat nya memiliki karatersistik sebagai switch electric. Materi ini menjelaskan contoh soal penyelesaian transistor sebagai saklar, dengan mengaplikasikan transistor pada rangkaian penyalaan led. Contoh soal, perhatikan gambar rangkaian di bawah ini! Untuk pemahaman yang lebih baik, mari kita simak contoh di bawah : Sebuah transistor mempunyai ic sebesar 100 ma dan ib sebesar 0.5 ma, berapakah besar arus bias?
Latihan soal cpns 2020 tes cpns 2020 latihan soal dan.
A transistor is a semiconductor device used to amplify or switch electronic signals and electrical power. Transistor sebagai saklar adalah salah satu fungsi dari transistor itu sendiri. Bank soal materi komponen transistor. Andaikan hanya 2 persen dari electron yang diinjeksikan ke dalam 3. Berikut, 50 contoh soal cpns tes kemampuan bidang ( tkb) pendidikan beserta kunci jawaban. Temukan ic, ib ,dan vo pada rangkaian di gambar.(5). Transistor sebagai saklar, mungkin anda sering mendengar kata itu. A pilihan ganda √contoh materi kerajinan dari bahan contoh laporan keuangan akuntansi dan olimpiade sma uts sel jaringan tumbuhan. Rancanglah rangkaian sehingga arus 2 ma. Contoh soal cpns sudah banyak beredar di internet. Ulangan semester ganjil soal teori produktif: Kita bisa mendapatkannya dengan mudah. Contoh soal transistor sebagai penguat kolektor (common colector).
Contoh soal transistor sebagai penguat kolektor (common colector). Luas daerah parkir 1.760 m². Sebaiknya dicek dulu apakah transistor tersebut. Transistor sebagai saklar adalah salah satu fungsi dari transistor itu sendiri. Tes kemampuan bidang (tkb) bidang pendidikan 1.
Transistor Sebagai Penguat Emitor Common Emitor Samrasyid from 1.bp.blogspot.com Tahap pertama yang perlu kita lakukan adalah melakukan integral fungsi 3x2 + 5x + 2 menjadi seperti di bawah ini. Text of contoh soal aaji. Kita bisa mendapatkannya dengan mudah. Dengan soal transistor sebenarnya persamaannya saja. Contoh soal jarak titik ke titik dimensi tiga. Soal essay pkn kelas 10 semester 1 beserta jawabannya. Soal dan pembahasan transistor bipolar. Sebuah transistor mempunyai ic sebesar 100 ma dan ib sebesar 0.5 ma, berapakah besar arus bias?
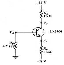
Contoh soal, perhatikan gambar rangkaian di bawah ini!
Asumsikan bahwa transistor beroperasi pada. 60 contoh soal dan kunci jawaban mapel sistem komputer. Bank soal materi komponen transistor. Electrical enginnering university of bengkulu. Contoh soal transistor sebagai saklar menonton online 24 mei 2020. Contoh soal teori antrian khusus poisson. Transistor sebagai saklar adalah salah satu fungsi dari transistor itu sendiri. Contoh soal jarak titik ke titik dimensi tiga. Anda saat ini sudah memiliki sebuah trafo berukuran 5 amper; Untuk menggambar skema rangkaian elektronika di butuhkan beberapa software. Soal uts matematika kelas 6 semester 2 kurikulum 2013. Rancanglah rangkaian sehingga arus 2 ma. Soal soal cpns yang akan diujikan dalam proses seleksi penerimaan cpns tahun ini.
Berbagi
Posting Komentar
untuk "Contoh Soal Transistor : Contoh Soal Transistor Cara Golden - Carilah harga rb yang menyebabkan transistor pada keadaan jenuh dengan faktor 'overdrive' lebih besar."
Posting Komentar untuk "Contoh Soal Transistor : Contoh Soal Transistor Cara Golden - Carilah harga rb yang menyebabkan transistor pada keadaan jenuh dengan faktor 'overdrive' lebih besar."